Магазин запчастей для бытовой техники - Arlos
Москва
close
Выберите ваш регион
АбаканАлександровАльметьевскАнгарскАрзамасАрмавирАртемАрхангельскАстраханьАчинскБалаковоБалашихаБеларусьБелгородБердскБерезникиБийскБлаговещенскБратскБрянскВеликий НовгородВидноеВладивостокВладикавказВладимирВолгоградВолгодонскВолжскийВологдаВолховВоркутаВоронежВоскресенскВыборгГатчинаГеленджикГрозныйДедовскДербентДзержинскДзержинскийДимитровградДмитровДолгопрудныйДомодедовоДонецкЕвпаторияЕгорьевскЕкатеринбургЕлецЕссентукиЖелезногорскЖелезнодорожныйЖуковскийЗеленоградЗлатоустИвановоИвантеевкаИжевскИркутскИстраЙошкар-ОлаКазаньКалининградКалугаКаменск-УральскийКамышинКаспийскКемеровоКерчьКировКисловодскКлинКовровКоломнаКомсомольск-на-АмуреКопейскКоролёвКостромаКотельникиКрасногорскКраснодарКраснознаменскКрасноярскКурганКурскКызылЛенинск-КузнецкийЛипецкЛобняЛыткариноЛюберцыМагнитогорскМайкопМалаховкаМахачкалаМиассМоскваМурманскМуромМытищиНабережные ЧелныНазраньНальчикНаро-ФоминскНахабиноНаходкаНевинномысскНефтекамскНефтеюганскНижневартовскНижнекамскНижний НовгородНижний ТагилНовокузнецкНовокуйбышевскНовомосковскНовороссийскНовосибирскНовоуральскНовочебоксарскНовочеркасскНовошахтинскНовый УренгойНогинскНорильскНоябрьскОбнинскОдинцовоОктябрьскийОмскОрелОренбургОрехово-ЗуевоОрскПавловский ПосадПензаПервоуральскПермьПетрозаводскПетропавловск-КамчатскийПодольскПрокопьевскПсковПушкиноПятигорскРаменскоеРеутовРостов-на-ДонуРубцовскРыбинскРязаньСакиСалаватСамараСанкт-ПетербургСаранскСаратовСевастопольСеверодвинскСеверскСергиев ПосадСерпуховСимферопольСмоленскСосновый БорСочиСтавропольСтарый ОсколСтерлитамакСтупиноСургутСызраньСыктывкарТаганрогТамбовТверьТихвинТольяттиТомилиноТомскТроицкТулаТюменьУлан-УдэУльяновскУссурийскУсть-ИлимскУфаУхтаФеодосияФрязиноХабаровскХанты-МансийскХасавюртХимкиЧебоксарыЧелябинскЧереповецЧеркесскЧеховЧитаШахтыЩелковоЭлектростальЭлистаЭнгельсЮжно-СахалинскЯкутскЯлтаЯрославль
  • - бесплатно по РФ
    Автоперезвон. Работает по принципу: Вы позвонили на номер, мы сбрасываем звонок и перезваниваем через 3 секунды.
  • - по Москве
  • 8 (925) 663-83-63

Call-центр

пн-вс: 10:00-19:00

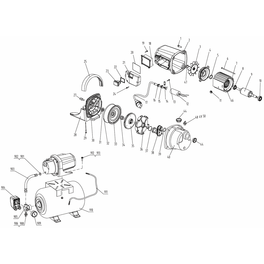
Насосная станция, корпус из чугуна НАС-М3-800-Ч

Данная модель имеет несколько схем

NАртикулНазваниеСрок отгрузкиЦенаКупить
T21 U009-620-1RS Подшипник шариковый (32х12х10) U009-620-1RS для ЗЦПБ-370, ЗЭП-600Н, НПГ-М3-1100-С 189 р.
1 UM01-000-192 Винт M8x20 H6
2 U537-800-002 Кожух двигателя 181 р.
2 UM06-001-004 Кольцо стопорное D11 разжимное UM06-001-004 для ЗДА-9.6-К, ЗНАС-1000 46 р.
3 U455-800-003 Крыльчатка 286 р.
4 U457-800-004 Крышка корпуса статора 480 р.
5 U455-800-005 Кольцо пружинное D23
6 UM03-000-003 Болт M5x128 #F 92 р.
7 U455-800-036 Кольцо уплотнительное D36xd32x2,5 мм U455-800-036 для ЗНС-800, НАС-М3-1200 , 189 р.
7 N000-004-871 Корпус статора
9 U455-800-010-2 Ротор АДА 3.681 р.
9 U455-800-010 Ротор 3.681 р.
10 U452-752-044 Сальник керамический в сборе D26xd14xН5 U452-752-044 279 р.
10 U009-620-2RS Подшипник шариковый 6202-2RS (35x15x11) n/n 189 р.
11 U455-800-012 Воротник шнура резиновый #F 189 р.
12 U452-900-009-2 Конденсатор 16мкФ 450В СВВ60 383 р.
14 U455-800-015 Прижим шнура
15 U098-004-012-1 Воротник шнура малый #F 94 р.
16 U098-004-012 Воротник шнура #F 92 р.
17 U099-004-010-1 Шнур сетевой резин. 3х1,0мм 1,5м #F 480 р.
18 U457-800-018 Крышка выключателя прозрачная 92 р.
19 UM02-000-027 Саморез 4x18 PH2 92 р.
20 U457-800-020 Уплотнение 92 р.
21 U455-800-030 Кольцо брызгозащитное U455-800-030 для насосов ЗНС-1100, НАС-М3-1200-Ч 92 р.
21 U537-800-021 Корпус выключателя
22 U455-800-021 Прокладка выключателя резиновая 92 р.
23 U535-600-022 Выключатель KND2-12/2 12(10)A 250V~ IP55 5E4 T85/55 657 р.
25 U457-800-025 Скоба 189 р.
27 U457-800-027 Вставка M8 92 р.
28 U455-800-027 Основание 286 р.
30 N000-000-560 Промщит
32 U455-800-031 Кольцо уплотнительное D149xd142xd3.5 75 р.
33 N000-000-563 Пластина изолирующая
35 N000-000-788 Крыльчатка насоса D111x22мм 590 р.
35 U455-800-035 Крышка крыльчатки D142x25 U455-800-035 для насосов ЗНС-600, ЗНС-800 258 р.
37 U455-800-037 Трубка Вентури D8.5 (тип2) 85x88x56 U455-800-037 для насосов ЗНС-600, ЗНС-800 145 р.
38 U455-800-038 Кольцо уплотнительное D28 U455-800-038 для насосов ЗНС-600, ЗНС-800 94 р.
40 N000-004-901 Корпус насоса 2.320 р.
44 N000-004-905 Заглушка-болт
46 U455-800-008-C-2 Статор АДА в сборе 6.891 р.
46 U455-800-008-C Статор в сборе 2.905 р.
53 U457-800-053 Штуцер 5-выводной U457-800-053 для насосных станций ЗНАС-800, НАС-М3-1200 674 р.
60 U457-800-060 Фланец D155x37мм U457-800-060 для НАС-М3-800, ЗНАС-1200-Ч 393 р.
901 U455-100-040 Кольцо уплотнительное D18
902 U455-100-041 Шайба
903 U457-800-050 Подводка гибкая с гайкой штуцером 1/2″ D17x250 524 р.
904 ЗРД Реле давления 1.548 р.
906 U455-100-047 Заглушка-болт
907 N000-004-917 Прокладка уплотнительная
908 U402-140-026 Кольцо уплотнительное D11.2хh2.4 189 р.
909 U457-800-056 Манометр 6bar (D41 1/4″ папа резьба сзади) 345 р.
910 U457-800-057-C Гидроаккумулятор 2.905 р.
911 N000-004-921 Кабель
912 UM03-002-026 Болт M8х43
913 UM05-004-002 Гайка M8 (автогровер с шайбой) #F 92 р.
Найдено товаров: 55
1
▲ Наверх
0
8 (925) 663-83-63

Call-центр

пн-вс: 10:00-19:00

НАЙТИ ПО МОДЕЛИ
Введите номер заказа
Введите номер своего заказа, что бы узнать его текущий статус.
Что бы получить доступ к расширенным функциям, пройдите не сложную регистрацию. Зарегистрироваться